
Z3型脹緊套特性: Z3型脹緊內外錐環用內六角螺栓擰緊,能傳遞較大載荷,并且一個錐環上有拆卸螺紋孔;Z3型結合面較長,對中性好,適用于旋轉精度要求較高和傳遞大載荷的場合。
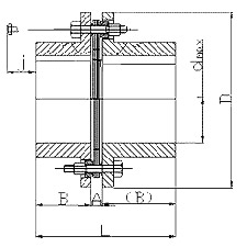
安裝參考范例
| 基 本 尺 寸 | 額定負荷 | 脹套與軸 結合面上 的壓力 Pf N/mm2 | 脹套與輪 轂結合面 上的壓力 Pf′ N/mm2 | 螺釘的 擰 緊 力 矩 MA N·m | 重量 kg | |||||||
| d | D | L | L 1 | L2 | d1 | n | 軸向力F1 KN | 轉矩 M1 KN·m | ||||
| mm | ||||||||||||
| 20 | 47 | 37 | 31 | 21.7 | M6 | 4 | 30 | 0.30 | 287 | 90 | 17 | 0.29 |
| 22 | 47 | 0.33 | 260 | 90 | 0.27 | |||||||
| 25 | 50 | 5 | 35 | 0.44 | 287 | 106 | 0.30 | |||||
| 28 | 55 | 0.49 | 256 | 96 | 0.36 | |||||||
| 30 | 55 | 0.53 | 239 | 96 | 0.34 | |||||||
| 35 | 60 | 45 | 0.81 | 246 | 106 | 0.38 | ||||||
| 40 | 65 | 0.94 | 215 | 98 | 0.41 | |||||||
| 45 | 75 | 46 | 38 | 25.3 | M8 | 6 | 80 | 1.86 | 283 | 134 | 41 | 0.70 |
| 50 | 80 | 2.07 | 255 | 126 | 0.76 | |||||||
| 55 | 85 | 7 | 90 | 2.54 | 270 | 138 | 0.82 | |||||
| 60 | 90 | 2.77 | 247 | 130 | 0.88 | |||||||
| 65 | 95 | 8 | 105 | 3.58 | 261 | 141 | 0.94 | |||||
| 70 | 110 | 60 | 50 | 33.4 | M10 | 7 | 140 | 5.10 | 244 | 128 | 83 | 2.10 |
| 75 | 115 | 5.46 | 228 | 119 | 2.20 | |||||||
| 80 | 120 | 5.85 | 214 | 112 | 2.30 | |||||||
| 85 | 125 | 8 | 175 | 7.45 | 230 | 129 | 2.40 | |||||
| 90 | 130 | 7.90 | 217 | 124 | 2.60 | |||||||
| 95 | 135 | 10 | 205 | 9.90 | 257 | 149 | 2.70 | |||||
| 100 | 145 | 68 | 58 | 40.8 | 220 | 11.00 | 192 | 114 | 3.70 | |||
| 105 | 150 | 11.55 | 210 | 114 | 3.90 | |||||||
| 110 | 155 | 12.10 | 175 | 107 | 4.00 | |||||||
| 120 | 165 | 12 | 260 | 15.70 | 192 | 120 | 4.30 | |||||
| 125 | 170 | M12 | 10 | 320 | 17.50 | 189 | 120 | 145 | 4.80 | |||
| 130 | 180 | 20.70 | 188 | 120 | 5.90 | |||||||
| 140 | 190 | 22.50 | 175 | 114 | 6.30 | |||||||
| 150 | 200 | 77 | 65 | 45.4 | 12 | 380 | 28.50 | 196 | 130 | 6.70 | ||
| 注:Z3型脹緊聯結套螺釘的機械性能等級為12.9級。 | ||||||||||||
Z3脹緊聯結套
掃描二維碼分享到微信